Chapter 14 Chemical Effects of Electric Current

Answer the following question

1. Fill in the blanks.

(a) Most liquids that conduct electricity are solutions of ______________ and ______________.

(b) The passage of an electric current through a solution causes ______________ effects.

(c) If you pass current through copper sulphate solution, copper gets deposited on the plate connected to the ___________terminal of the battery.

(d) The process of depositing a layer of any desired metal on another material by means of electricity is called _________.

Answer:

(a)  acids, bases and salts.

(b)  chemical 

(c)  negative 

(d) electroplating.

2. When the free ends of a tester are dipped into a solution, the magnetic needle shows deflection. Can you explain the reason?

The compass needle shows a deflection, which concludes that current is flowing through the wire. The circuit becomes complete as the free ends of the tester are immersed inside the solution. So, the solution is conducting solution; hence, deflection is obtained in the compass needle.

3. Name three liquids, which when tested in the manner shown in Fig.14.9, may cause the magnetic needle to deflect.

Liquid causing the magnetic needle to deflect.

I. Saltwater

II. Lemon juice

III. Vegetable oil

These liquids can be taken in a beaker to show the passage of electricity, as they will show a deflection in the magnetic needle.

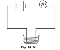
4. The bulb does not glow in the setup shown in Fig.14.10. List the possible reasons. Explain your answer.

Chapter 14 Chemical Effects of Electric Current-sol-1

The possibility of the bulb not glowing may be because of the following reasons:

a. The liquid may be non-conducting. In this case, the circuit is incomplete, and the current does not pass through the liquid.

b. Electric current may be weak for the circuit is made up of a material which is not a good conductor of electricity, or there is insufficient energy in the battery to generate electricity.

5. A tester is used to check the conduction of electricity through two liquids, labelled A and B. It is found that the bulb of the tester glows brightly for liquid A, while it glows very dimly for liquid B. You would conclude that

(i) liquid A is a better conductor than liquid B.

(ii) liquid B is a better conductor than liquid A.

(iii) both liquids are equally conducting.

(iv) conducting properties of liquid cannot be compared in this manner.

Liquid A is a better conductor than liquid B.

6. Does pure water conduct electricity? If not, what can we do to make it conduct?

Pure water does not conduct electricity, as it does not contain any type of salt. Adding a small amount of Common salt (Sodium Chloride, i.e., NaCl) will turn the water into a conducting medium.

7. In case of a fire, before the firemen use the water hoses, they shut off the main electrical supply for the area. Explain why they do this.

In case of a fire, before the firemen use the water hoses, they shut off the main electrical supply for the area because water sprayed from the hose might conduct electricity which may come in contact with the electrical appliances, which increases the chance of electricity passing through the wire. This may hurt the firemen.

8. A child staying in a coastal region tests the drinking water and also seawater with his tester. He finds that the compass needle deflects more in the case of seawater. Can you explain the reason?

The amount of dissolved salts present in the seawater is more than that of the drinking water. So, seawater will be a better conductor than drinking water. That is the reason behind the increased deflection of the needle in the seawater when compared to the drinking water.

9. Is it safe for the electrician to carry out electrical repairs outdoors during heavy downpours? Explain.

No. It is not safe to repair electrical appliances outdoors during heavy downpours. Rainwater is composed of a certain percentage of dissolved salts making it conductive. This may cause electric shocks and harm the electrician while working outdoors during heavy downpours.

10. Paheli had heard that rainwater is as good as distilled water. So she collected some rainwater in a clean glass tumbler and tested it using a tester. To her surprise, she found that the compass needle showed deflection. What could be the reasons?

Rainwater is composed of a certain percentage of dissolved salts making it conductive. This results in the deflection of the compass

11. Prepare a list of objects around you that are electroplated.

Chromium plating: This is done on exterior parts of automobiles in order to obtain a shiny appearance.

Gold Plating: Silver ornaments are coated with a thin layer of gold, and the product is called Gold-plated Ornaments.

Zinc Plating: Iron used for Construction is coated with a Zinc layer in order to protect them from corrosion and rusting.

12. The process that you saw in Activity 14.7 is used for the purification of copper. A thin plate of pure copper and a thick rod of impure copper are used as electrodes. Copper from the impure rod is sought to be transferred to the thin copper plate. Which electrode should be attached to the positive terminal of the battery and why?

The thick rod of the impure copper plate is to be attached to the positive terminal of the battery because when the electric current is passed through the copper sulphate solution, it gets dissociated into copper and sulphate. The free copper, being positively charged, gets drawn to the negative terminal of the battery and gets deposited on it. On the other hand, the loss of copper from the solution is regained from the impure copper rod, which is attached to the positive terminal of the battery.